10 Groundbreaking Female Inventors Who Shaped Our World
You’ve likely heard of well-known inventors like Galileo, Karl Benz, Alexander Graham Bell, and Benjamin Franklin, but what about Grace Hopper and Stephanie Kwolek?
Grace Hopper was the brilliant mind behind the first computer programming compiler, an invention that changed technology forever. Meanwhile, Stephanie Kwolek developed Kevlar, an incredibly strong material that’s five times stronger than steel.
These women are great examples of groundbreaking female inventors. Many innovations have had a profound impact on the world, yet history often overlooks the contributions of women.
Recognizing their achievements can inspire the next generation of girls to dream big and make their own mark on the world. It’s important to highlight these remarkable achievements, giving credit where it’s long overdue.
Let’s delve into some of the most significant discoveries and inventions made by women over the past century.
1. Maria E. Beasley: Life Raft

During the early 1880s, a period marked by a surge of European immigrants arriving in the United States, Maria E. Beasley from Philadelphia designed a life raft that was far more reliable than those of the past.
Unlike the flat rafts used in the 1870s, Beasley’s design featured guard rails, offering better protection for passengers in emergencies when abandoning ship was necessary.
Her innovative design has since saved thousands of lives, including an estimated 706 people during the tragic sinking of the Titanic.

Beasley patented her first life raft in 1880 in both the United States and Great Britain, and she improved upon this design, securing a second U.S. patent in 1882.
Beyond her life raft invention, Beasley was a prolific inventor, creating a foot warmer, a steam generator, and a barrel-hooping machine, earning a total of 15 U.S. patents and at least two in Great Britain. Her contributions to safety and innovation have left a lasting impact.
2. Sarah E. Goode: Fold-Out Bed

In 1885, Sarah E. Goode, a Chicago-based inventor and furniture store owner, made a significant contribution to the world of furniture design.
She received a patent for her innovative “Cabinet-Bed,” a piece of furniture that could transform from a desk into a bed, making it perfect for saving space in small apartments.
Goode’s invention came long before the well-known Murphy beds and pull-out sofas of the 20th century. Her creative solution addressed the challenges of living in cramped spaces, offering a practical and stylish option for urban dwellers.

Sarah Goode’s achievement is even more remarkable, considering her background. Born into slavery, she gained her freedom after the Civil War and went on to become one of the first Black women to receive a U.S. patent.
Her Cabinet Bed not only showcased her ingenuity but also marked a significant milestone in the history of African American inventors.
3. Josephine G. Cochran: Dishwasher

Josephine Cochrane, born in 1839 in Ashtabula County, Ohio, was part of a family with a rich history in invention and engineering.
Although she didn’t have formal training in science, Josephine created a clever machine with a rack to hold dishes and water jets to wash off food.
She invented this to protect her fine china from getting damaged. Her design, patented in 1886, was a big improvement over earlier dishwashers, which used scrub brushes.
Instead, Josephine’s use of water pressure made her dishwasher much more effective, and she even won an award for it at the Chicago World’s Fair in 1893.

After securing her patent, Josephine started the Crescent Washing Machine Company, selling her dishwashers mainly to hotels and restaurants because they were too expensive for most people to buy for their homes.
It wasn’t until the 1950s that dishwashers became popular in American homes. This was thanks to new technology, changing attitudes about housework, and the creation of special detergents for dishwashers.
Josephine Cochrane’s invention eventually made washing dishes easier and more efficient for families across the country.
4. Margaret A. Wilcox: Car Heater

Margaret A. Wilcox, an engineer from Chicago, was the first person to patent an automobile heater. In 1893, she came up with a clever design that used heat from the car’s engine to warm up the driver and passengers during their journey.
This invention made car travel much more comfortable, and later, engineers improved it by making the heat easier to adjust.

In addition to the automobile heater, Wilcox also invented a combined clothes-and-dishwasher. Although this particular invention didn’t become popular, her ingenuity and contributions to everyday technology are still noteworthy.
5. Bessie Virginia Blount: Feeding Tube

Bessie Virginia Blount, also known as Bessie Blount Griffin, was an exceptional American nurse, physical therapist, and inventor. She was also a handwriting expert and may have been the first Black woman to train at Scotland Yard’s Document Division.
In the 1940s, while working with World War II veterans at Bronx Hospital in New York City, Bessie made a lasting impact by teaching veterans with amputations how to read and write using their teeth and feet.
During her work with these veterans, Bessie developed a groundbreaking device that allowed her patients to feed themselves. Her invention was a simple tube that delivered food to a person’s mouth when they bit down on it.

Bessie patented part of this design in 1948, but when the U.S. government showed little interest, she decided to gift the rights to the French government in 1951, following advice from a religious leader.
Bessie’s invention was a significant step forward and laid the foundation for modern feeding tubes. These tubes can now be inserted into a person’s nose or stomach, helping those unable to eat on their own to receive nutrition.
After her success with the feeding tube, Bessie continued to explore new ideas and later became a forensic handwriting analyst.
6. Stephanie L. Kwolek: Kevlar

Stephanie L. Kwolek was a remarkable chemist who made a significant contribution to materials science while working at DuPont’s Pioneering Research Laboratory in Wilmington, Delaware.
Among her many achievements, her most famous creation is Kevlar—a synthetic fiber known for being incredibly strong, lightweight, and resistant to heat.
Kwolek patented the process for making Kevlar in 1966. This material has become vital in bulletproof vests and other protective gear. Kevlar also replaced asbestos in many applications during the 1970s, when the health risks of asbestos became widely recognized.

Kevlar is an incredibly versatile material with a strength-to-weight ratio five times greater than steel. It is used in a wide range of products, from bicycle tires and racing sails to body armor, frying pans, and even musical instruments.
The applications for Kevlar continue to grow, with over 200 different uses now recognized. Thanks to Kwolek’s groundbreaking work, Kevlar has become an essential material in both everyday items and life-saving equipment.
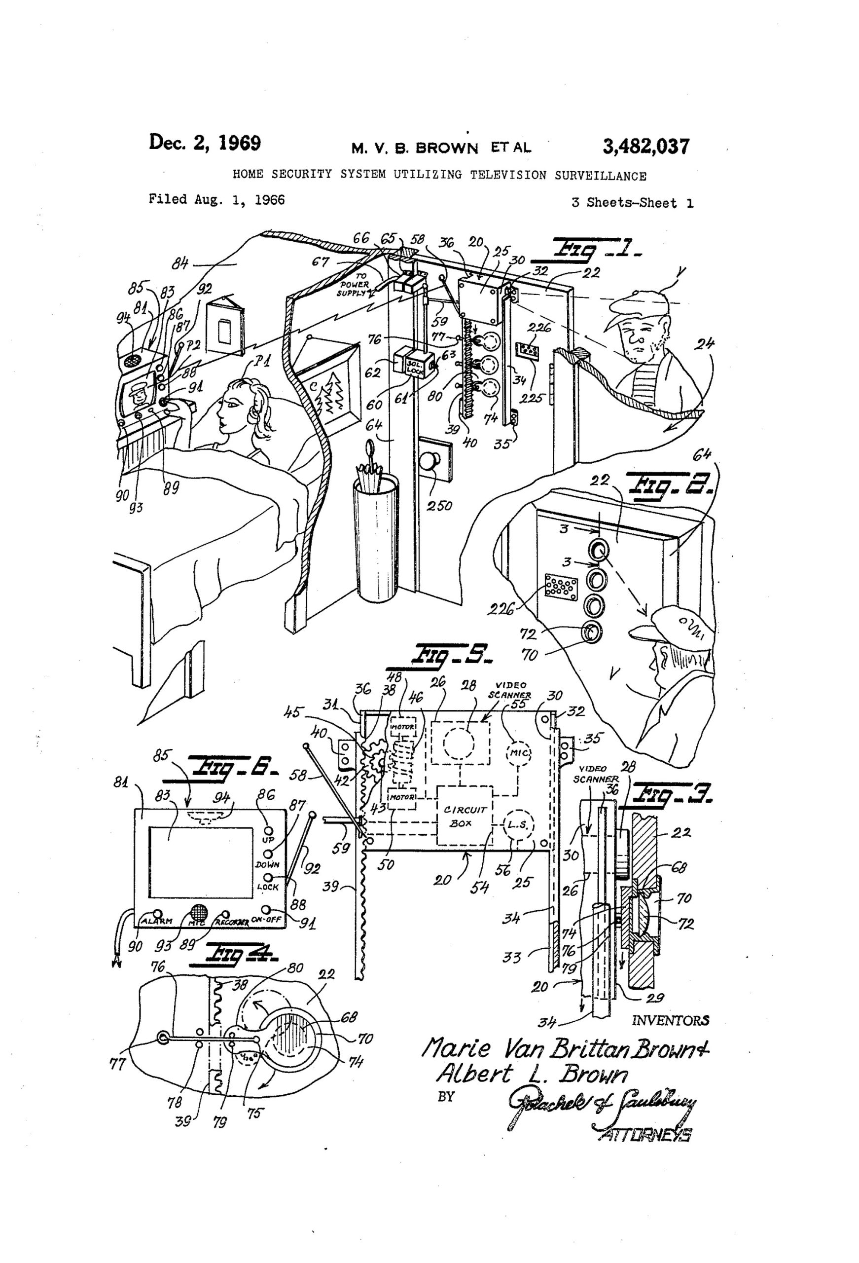
7. Marie Van Brittan Brown: Home Security System

Marie Van Brittan Brown was a pioneering Black nurse and inventor in New York City who, alongside her husband, Albert Brown, developed the first home security system in 1969.
The inspiration for this invention came from her own experiences. Both she and her husband worked long hours, with Albert as an electronics technician, leaving Marie often returning home alone late at night. This made her concerned about safety.
Brown’s innovative security system included a sliding camera that could capture images through four different peepholes in her door. The images were displayed on TV monitors inside the home.

She also designed the system with two-way microphones, allowing her to communicate with anyone outside the door. Additionally, the system featured a remote control to unlock the door from a distance and a panic button to alert the police or security.
This invention was groundbreaking and laid the foundation for modern home security systems. Brown’s design has been referenced in at least 32 subsequent patent applications.
8. Patricia E. Bath: Cataract Treatment

Patricia E. Bath was a trailblazing Black American who made history as the first Black person to complete a residency in ophthalmology and the first Black female doctor to patent a medical device in the United States.
Her most notable invention was the Laserphaco Probe, a revolutionary device for removing cataracts—those cloudy spots in the eye that can lead to vision loss.
Bath’s method for cataract removal was faster, more accurate, and less invasive than the techniques used before.

In 1988, she earned her first U.S. patent for this groundbreaking procedure, and throughout her life, she secured four additional U.S. patents related to her cataract-removal innovations.
Her work also received international recognition, with patents granted in Japan, Canada, and Europe.
Patricia E. Bath’s contributions to ophthalmology have had a lasting impact, helping countless individuals maintain and restore their vision.
9. Grace Hopper: Computer Programming

Rear Admiral Grace Hopper was a remarkable figure in the history of computing, especially during and after the Second World War. After joining the US Navy, she was assigned to work on a groundbreaking new computer known as the Mark 1.
This five-ton, room-sized machine, which she co-designed with Howard Aiken in 1944.
In the 1950s, Hopper became a leading force in the field of computer programming. She invented the compiler, a tool that could translate written instructions into code that computers could understand.
This made programming faster and more efficient and revolutionized how computers functioned.

Hopper is also credited with popularizing the term “de-bugging” in computer programming. This term originated after a moth was famously removed from inside one of her machines, a moment that has become a part of tech history.
Known affectionately as “Amazing Grace,” Hopper continued to work with computers throughout her life, eventually retiring from the Navy at the age of 79 as its oldest serving officer.
Her legacy is vast, and it’s almost impossible to imagine the world of computing today without her groundbreaking contributions.
10. Mary Anderson: Windshield Wipers

Born in Alabama in 1866, Mary Anderson was a visionary real estate developer who made a significant contribution to automotive safety.
In 1902, while riding a trolley in New York during snowy weather, she noticed the driver struggling to see through the windshield. The driver had to either lean out of the window or stop the vehicle to manually clear the snow, which inspired Mary to create a solution.
Mary designed a prototype that featured a blade attached to a lever inside the streetcar. By turning the lever, the driver could move the blade across the windshield, clearing away snow and rain without having to leave the vehicle.

She applied for a patent in 1903, and after it was granted, she tried to market her invention to automobile manufacturers. Unfortunately, they didn’t see the commercial potential at the time, and her patent expired before she could sell it.
It wasn’t until decades later that windshield wipers became a standard feature on vehicles. Today, they are recognized as an essential safety component, ensuring clear visibility for drivers in all weather conditions.
Mary Anderson’s invention, though unappreciated in her time, has become a crucial part of modern automotive safety.

